Boost Converter Increase Efficiency
Pout Pin 100 As energy cannot be created nor destroyed it can only be converted most electrical energies loose unused powers converted to heat. Efficiency size and cost are the primary advantages of switching power converters when compared to linear converters.

Pmp21404 High Efficiency Boost Converter Power Supply Reference Design For Automotive Dc Ac Inverter Ti Com Schematic Design Power Efficiency Tool Design
It is equivalent to a flyback converter using a single inductor instead of a transformer.

Boost converter increase efficiency. Ron Crews Principal Applications Engineer and Kim Nielson Senior Engineering Technician Natio May 01 2008. Market trends Point-of-load POL DCDC conversion and voltage regulator modules are driving the demand for higher-performance MOSFETs that can improve the overall efficiency of the power conversion at higher frequency and light loads. Improve efficiency of Boost Converter Circuit Now If we investigate about the efficiency It is how much power we provide inside the circuitry and how much we get at the output.
Comparison to discussed boost converters. Peak efficiency is reached when V IN equals V OUT in buck-boost transition mode. Adding the PNPSignal Diode combination will improve efficiency a lot.
Interleaving is Good for Boost Converters Too Long used to improve efficiency reduce ripple and shrink capacitor and inductor size in buck converters the multiphase approach can provide the same benefits for boost converters. Will try to increase without. Does boost converter increase current.
Although inductive boost converters can be highly efficient improper selection of a converter type operating frequency andor external components can lead to an inefficient design. Efficiency of Buck Converter Switching regulators are known as being highly efficient power sources. This calculation gives a more realistic duty cycle than just the equation without the efficiency factor.
Two different topologies are called buckboost converterBoth of them can produce a range of output voltages ranging from much larger. This application note explains power loss factors and methods for calculating them. Figure 13 d indicates that the Table 1.
Hence for increase in output voltage of Boost converter its output current would decrease. The biggest advantage of a boost converter is it offers very high efficiency. Efficiency can be as poor as 60 for a duty cycle of 07.
I measured the plot in Figure 2 using a 400kHz four-switch buck-boost converter design supplying a 12V 6A load. As a first pass an efficiency of 100 1 can be used. Whereas it has highest efficiency for duty cycle of 05.
Either an estimated factor eg. Then when a candidate regulator is chosen the efficiency curves. The DC-DC Switching Boost Converter is designed to provide an efficient method of taking a given DC voltage supply and boosting it to a desired value.
Some of the boost converters can go up to 99 efficiency. The switching power converter efficiencies can run between 70-80 whereas linear converters are usually 30 efficient. 80 which is not unrealistic for a boost converter worst case efficiency can be used or see the Typical Characteristics section of the selected converters data sheet Reference 3 and 4.
The best way to improve efficiency is to have the field of the inductor collapse as quickly as possible. The boost converter is used to step-up an input voltage to some higher level required by a load. In Figure 13 c the conventional boost converter shows a decrease in efficiency when the photovoltaic power reaches almost 80 Watts while the interleaved boost converter starts showing an improvement to efficiency when the power of the system rise.
High efficiency of a boost converter with low-on-resistance on-board powertrain MOSFET transistors. It is difficult to predict the efficiency when designing a new application. The buckboost converter is a type of DC-to-DC converter that has an output voltage magnitude that is either greater than or less than the input voltage magnitude.
Therefore high gain operation cannot be achieved with this converter. The design achieves greater than 95 efficiency across a 61 input-voltage range. That means of the input voltage only 1 of the power is wasted.
To further improve their efficiency it is helpful to understand the basic mechanism of power loss. Battery Life Comparison Between Two Regulators. With the boost converters 925 efficiency at peak current and 08A quiescent current the wearable medical patch can meet and exceed the required 5 days of operation see Table 1.

Boost Converter Has High Efficiency At Light Loads

Maximizing Efficiency In Synchronous Boost Converter Electrical Engineering Stack Exchange

High Efficiency Boost Converter Provides 24v For Dte

Why Is There Such A Large Difference In Efficiency In These Two Boost Converter Configurations Electrical Engineering Stack Exchange

7 Ideas Of 555 Dc Boost Converter Circuits Diagram Converter Circuit Diagram Circuit Projects

Boost Converter Operation Download Scientific Diagram

Wide Vin And High Power Challenges With Buck Boost Converters Power Electronics

Energies Free Full Text A Hybridization Of Cuk And Boost Converter Using Single Switch With Higher Voltage Gain Compatibility Html

Boost Converter Matlab Simulink

Power Supply Design Notes Let S Build A Bidirectional Buck Boost Converter With Sic Mosfet Power Electronics News

Looking For Feedback On My Microcontroller Controlled Boost Converter Electrical Engineering Stack Exchange

The Calculator Diy Dc Dc Boost Calculator Adafruit Learning System
Cascaded Boost Converters A Conventional Cascaded Boost Converter 31 Download Scientific Diagram

Diy 3v To 12v Boost Converter Circuit Dc To Dc Converter Youtube Circuit Projects Electronics Projects Electronics Circuit

Increase Dc Dc Converter Efficiency Understanding Operating Modes And Power Losses Power Management Technical Articles Ti E2e Support Forums

Max17502 60v Synchronous Buck Converter With Internal Fets Enables High Efficiency Converter Dc Dc Converter Efficiency

Increase Dc Dc Converter Efficiency Understanding Operating Modes And Power Losses Power Management Technical Articles Ti E2e Support Forums

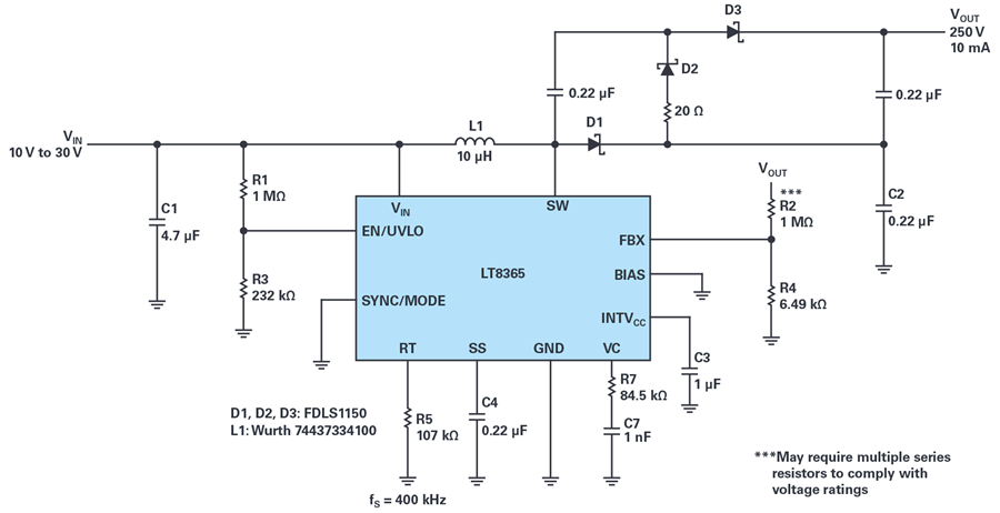
High Voltage Boost And Inverting Converters For Communications Analog Devices

Posting Komentar untuk "Boost Converter Increase Efficiency"